Cảm biến lực (Load Cells) BM14G
BM14G là dòng Cảm biến lực (Load Cells) của ZEMIC.
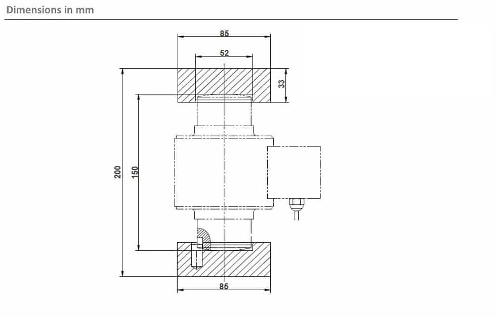
BM14G là dòng cảm biến thuộc kiểu Canister Load Cells (Kiểu hộp dạng trụ).
Tổng trở ngõ vào/ra: 700/700 Ohm.
Chiều cao Cảm biến lực/Chiều cao lắp đặt: 150/200mm.
Độ chính xác cao.
Cảm biến lực BM14G có sẵn từ 10t đến 50t. Và được tùy chỉnh theo yêu cầu của khách hàng.
Tải trọng
Cấp chính xác
Tên đầy đủ
10t C3/C4 BM14G4-C3/C4-10t-18B-SC-W1
20t C3/C4 BM14G4-C3/C4-20t-18B-SC-W1
30t C3/C4 BM14G4-C3/C4-30t-18B-SC-W1
40t C3/C4 BM14G4-C3/C4-40t-18B-SC-W1
50t C3/C4 BM14G4-C3/C4-50t-18B-SC-W1
Vật liệu chế tạo là thép không rỉ, hàn kín, chống ăn mòn từ dầu, không thấm nước và chống ăn mòn do môi trường sử dụng. Khả năng chống chịu sét tốt.
Cấu trúc dạng cột, thiết kế chống đảo chiều, khả năng tự cân bằng tốt. Phù hợp với các ứng dụng cân sàn lớn, cân xe tải, cân bồn và các ứng dụng cân điện tử khác.
Dễ dàng lắp đặt và độ tin cậy cao.
Đạt chứng chỉ OIML : test Certificate no. TC7815 Revision 0 C of C no R60/2000-NL1-10.10.
Đạt chứng chỉ NTEP: Certificate no. 10-087.
Màu dây đấu nối:
Exc+ Exc- Sig+ Sig- shield
Xanh Đen Trắng Đỏ Vàng
Thông số kỹ thuật
Cấp chính xác OIML R60 C3
OIML R60 C4
Độ nhạy điện áp xuất (= FS) mV/V
2.0 ± 0.02
Tải trọng tối đa (Emax) t
10, 20, 30, 40, 50
Khoảng quy mô xác minh tối đa nLC 3000
4000
Giá trị xác minh nhỏ nhất Vmin
Emax/8800
Lỗi toàn diện %FS
≤± 0.0230
≤± 0.0175
Minimum dead load of Emax
0%
Quá tải an toàn of Emax
150 %
Quá tải tối đa of Emax
300 %
Vùng Zero of FS
< ± 1.0 %
Điện áp cấp khuyến nghị V
5 ~ 12
Điện áp cấp tối đa V
18
Tổng trở ngõ vào Ω
700 ± 7
Tổng trở ngõ ra Ω
700 ± 7
Điện trở cách ly MΩ
≥5000 ( tại 50VDC )
Nhiệt độ bù °C
-10 ~ +40
Nhiệt độ hoạt động °C
-35 ~ +65
Nhiệt độ lưu trữ °C
-40 ~ +70
Vật liệu chế tạo
Stainless steel
Cấp bảo vệ (acc. to EN 60529)
IP68
ATEX (tùy chọn) II1G Ex ia II1C T4 II1D Ex iaD 20 T73°C
II3G nL IIC T4












